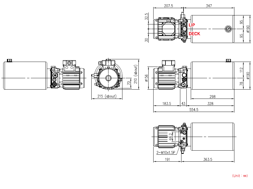
Bộ nguồn thủy lực Dock-Leveler Hydro-tek được phân phối bởi Công Ty TNHH Công Hghiệp Hùng Quân
- Công suất: 1.1kw, 3 phase
- Vòng quay động cơ: 2900rpm
- Lưu lượng: 1.6cc/rev
- Thể tích thùng dầu: 5L
- Áp suất cài đặt: 100bar

Được thiết kế dạng compac, bao gồm van 1 chiều, van an toàn và van tự động phân phối đóng mở DECK và LIFT theo tuần tự làm việc! Thiết kế đáp ứng các loại bàn nâng tiêu chuẩn trên thị trường. Người sử dụng không cần phải cân chỉnh bất kỳ chi tiết nào trong bộ nguồn DOCK LEVELER này.
Xin vui lòng liên hệ với nhân viên chúng tôi theo số điện thoại bên dưới nếu quý khách cần bất kỳ sự hổ trợ nào.
Mr. Hung: 0938516500 – 0908006801
Email: hung@hqi.vn












Reviews
There are no reviews yet.